各市、县(市、区)人民政府,省各委办厅局,省各直属单位:
经省人民政府同意,现将《江苏省危险化学品重特大生产安全事故应急预案》印发给你们,请认真组织实施。
江苏省人民政府办公厅
2020年12月14日
(此件公开发布)
江苏省危险化学品
重特大生产安全事故应急预案
目 录
1 总则
1.1 编制目的
1.2 编制依据
1.3 适用范围
1.4 事故分级
1.5 工作原则
1.6 预案体系
1.7 风险分析
2 组织体系
2.1 指挥机构及其主要职责
2.2 成员单位及其应急处置职责
2.3 现场指挥部及其主要职责
2.4 危险化学品从业单位职责
3 预防、监测与预警
3.1 预防
3.2 监测与预警
4 应急响应
4.1 信息报告
4.2 先期处置
4.3 启动响应
4.4 处置措施
4.5 事故现场处置要点
4.6 信息发布
4.7 应急结束
5 后期处置
5.1 善后处置
5.2 事故调查
5.3 总结评估
6 应急保障措施
6.1 应急队伍保障
6.2 资金保障
6.3 装备物资保障
6.4 医疗卫生保障
6.5 交通运输保障
6.6 通信与信息保障
6.7 技术支持保障
6.8 宣传、培训和演练
7 附则
7.1 预案管理
7.2 奖励与责任追究
7.3 预案实施时间
1 总则
1.1 编制目的
规范全省危险化学品(以下简称为危化品)生产安全事故的应急管理、应急响应程序,科学、及时、有效地组织实施应急救援工作,预防和减少次生事故发生,最大限度减少人员伤亡、财产损失,保护生态环境,保障人民群众生命和财产安全。
1.2 编制依据
依据《中华人民共和国突发事件应对法》《中华人民共和国安全生产法》《生产安全事故应急条例》《生产安全事故报告和调查处理条例》《危险化学品安全管理条例》《生产安全事故应急预案管理办法》《国家危险化学品事故灾难应急预案》《江苏省安全生产条例》《江苏省实施〈中华人民共和国突发事件应对法〉办法》《江苏省突发事件总体应急预案》等法律法规规章及有关规定,制定本预案。
1.3 适用范围
本预案适用于江苏省行政区域内下列危化品生产安全事故应对工作:
(1)江苏省行政区域内危化品生产、经营、储存、使用等过程中发生的特别重大、重大(以下简称重特大)生产安全事故;
(2)超出设区市人民政府应急处置能力,或跨设区市行政区域的危化品生产、经营、储存、使用等过程中发生的生产安全事故。
发生在本省行政区域内的港口危险货物事故(含港口经营企业涉及储存、装卸危化品的事故)、危化品运输事故、石油天然气管道事故等的应急救援不适用本预案。
1.4 事故分级
危化品生产安全事故分为以下等级:
特别重大事故:造成30人以上死亡,或者100人以上重伤(包括急性工业中毒,下同),或者1亿元以上直接经济损失的事故。
重大事故:造成10人以上、30人以下死亡,或者50人以上、100人以下重伤,或者5000万元以上、1亿元以下直接经济损失的事故。
较大事故:造成3人以上、10人以下死亡,或者10人以上、50人以下重伤,或者1000万元以上、5000万元以下直接经济损失的事故。
一般事故:造成3人以下死亡,或者10人以下重伤,或者1000万元以下直接经济损失的事故。
本预案有关数量的表述中,“以上”含本数,“以下”不含本数。
1.5 工作原则
(1)以人为本,安全第一。把保障人民生命安全作为首要任务,最大程度地预防和减少危化品生产安全事故造成的人员伤亡和财产损失。
(2)统一领导,分级负责。在省人民政府统一领导下,各市、县(市、区)人民政府及省有关部门和单位按照各自职责和权限,负责相关危化品生产安全事故的应急处置工作。
(3)条块结合,属地为主。危化品生产安全事故现场应急处置以事发地党委和政府为主。省有关部门与地方党委、政府密切配合,发挥指导和协调作用。必要时由省人民政府直接组织指挥。
(4)科学决策,依法处置。充分发挥专家作用,实行科学决策。采用先进的救援装备和技术,提高应急救援能力,依法规范应急救援工作。
(5)预防为主,平战结合。贯彻落实安全第一、预防为主、综合治理的方针,坚持预防与应急相结合,加强预防、预测、预警和预报工作,做好常态下的应急准备工作。
1.6 预案体系
全省危化品生产安全事故应急预案体系包括本预案在内的涉及危化品生产安全事故的省级专项应急预案和部门应急预案、地方应急预案、化工园区应急预案、危化品从业单位(储存、装卸危化品的港口经营企业除外,下同)应急预案、重大危险源应急预案及为应急预案提供支撑的工作手册和事件行动方案组成。
本预案应急工作手册是预案涉及的有关部门和单位对自身承担职责任务进一步分解细化的工作安排,是本部门和单位应对危化品生产安全事故的操作指南。
事件行动方案是参与危化品生产安全事故应对的救援队伍、专家队伍等按照应急预案、工作手册或上级指挥机构要求,为执行具体任务并结合实际情况而制定的工作安排。
1.7 风险分析
根据江苏省涉及的危化品类别、从业单位特点和分布情况,全省危化品生产安全事故风险主要分为以下几类:
(1)危化品属性风险。受危化品理化性质影响,如管理不善等原因可引发危化品火灾、爆炸、泄漏生产安全事故。
(2)危化品从业单位安全风险。危化品从业单位在生产、经营、储存、使用危化品过程中的火灾、爆炸、中毒等风险,以及冶金煤气中毒、爆炸和油气输送管道火灾、爆炸风险。化工园(集中)区外危化品从业单位,基础设施配套不完善,增大安全风险隐患。
(3)化工园(集中)区危化品集聚风险。化工园(集中)区内危化品从业单位生产工艺复杂、储存量大、管道密集、人员集中、各类安全风险叠加,容易引起群发、链发风险,存在因一起事故引发“多米诺”效应的重大风险。
2 组织体系
江苏省危险化学品重特大生产安全事故应急救援组织体系结构图见附件1。
2.1 指挥机构及其主要职责
在省人民政府的统一领导下,由省重特大生产安全事故应急指挥部(以下简称省指挥部)负责统一组织领导、指挥协调全省重特大危化品生产安全事故的应对工作。总指挥与副总指挥由省人民政府指定。
成员:由省委宣传部、省委网信办、省军区、武警江苏省总队、省发展改革委、省教育厅、省工业和信息化厅、省公安厅、省民政厅、省财政厅、省人力资源社会保障厅、省自然资源厅、省生态环境厅、省住房城乡建设厅、省交通运输厅、省水利厅、省农业农村厅、省商务厅、省卫生健康委、省应急厅、省国资委、省市场监管局、省广电局、省粮食和储备局、省总工会、省消防救援总队、省气象局、江苏海事局、连云港海事局、民航江苏安全监管局、江苏银保监局、省通信管理局、南京铁路办事处、省电力公司等部门和单位负责同志担任。
省指挥部主要职责:
(1)贯彻落实党中央、国务院和省委、省政府的决策部署,领导、组织、协调全省重特大危化品生产安全事故应急救援工作。
(2)掌握事态发展,负责应急救援重大事项的决策,决定启动和终止危化品生产安全事故应急响应。
(3)设立现场指挥部,指定现场总指挥,必要时协调驻苏部队参与应急救援工作。
(4)向国务院报告事故和救援情况,必要时请求协调支援。
2.2 成员单位及其应急处置职责
在省指挥部的统一组织下,有关成员单位根据各自职责,做好危化品生产安全事故应对工作。
(1)省委宣传部:会同有关部门提出新闻发布、报道工作意见,组织指导新闻发布、报道工作,协调解决新闻报道中出现的问题,收集、跟踪境内外舆情,及时协调有关方面开展对外解疑释惑、澄清事实、批驳谣言的工作;负责现场记者的采访管理、服务工作。
(2)省委网信办:负责事故网络舆情的监测、引导和调控管控工作。
(3)省军区:根据地方政府需求,协调现役专业力量支援协助事故救援。
(4)武警江苏省总队:在省委、省政府的统一指挥下参加事故应急处置和救援;协同公安机关担负事故现场及周边地区的安全警戒,维护社会秩序。
(5)省教育厅:协助做好各类学校实验室和校属企业事故应急救援工作。
(6)省工业和信息化厅:负责应急救援有关物资组织和保障。
(7)省公安厅:组织指导应急救援的治安保卫、道路交通管制,组织提供施救所需的救援器材和其他救援装备。
(8)省民政厅:负责事故遇难人员遗体处置工作。
(9)省财政厅:按照规定落实政府危化品安全生产投入,保障有关部门和单位危化品安全生产工作经费,为应对事故工作提供资金支持。
(10)省人力资源社会保障厅:指导监督与事故有关的工伤保险政策落实。配合有关部门对事故救援工作中作出突出贡献的单位和个人给予奖励。
(11)省自然资源厅:负责组织协调提供相关事故应急救援工作的测绘地理信息。
(12)省生态环境厅:负责组织协调事故现场环境应急监测、预警和环境损害评估工作,组织制订环境应急处置方案,参与事故调查。
(13)省住房城乡建设厅:组织提供施救所需的施工机械、救援器材和其他特种设备。
(14)省交通运输厅:负责组织提供应急救援所需的水陆交通运输保障工作。
(15)省水利厅:负责事故抢险救援过程中水资源调配。
(16)省农业农村厅:协助做好农药生产企业事故应急救援工作。
(17)省商务厅:协助做好加油站生产安全事故应急救援,组织保障事故处置过程中生活必要品的供应。
(18)省卫生健康委:负责事故应急医疗救援和卫生防疫工作,并为地方卫生医疗机构提供技术支持。
(19)省应急厅:组织协调事故应急救援工作。组织协调事故应急救援相关物资、装备的调配。
(20)省国资委:参与所监管企业的事故应急救援和善后处置工作。
(21)省市场监管局:负责组织协调与危化品生产、经营、储存、使用等相关的特种设备事故的应急救援工作,提供事故现场施救所需的技术支持和保障。负责提供抢救用药品和医疗器械的信息,监督抢救伤员所需药品、医疗器械的质量。
(22)省广电局:负责指导省内广播电视和网络视听媒体加强事故应急救援新闻报道。
(23)省粮食和储备局:负责省级应急救灾物资的收储、轮换和日常管理,根据动用指令按程序组织调出。
(24)省总工会:参加事故中职工伤亡的调查处理,维护职工合法权益。
(25)省消防救援总队:组织做好事故的火灾扑救和抢救人民生命财产安全应急救援工作。实施危化品处置、火灾扑救、人员搜救、工程抢险、工程加固和事故现场清理等工作;控制危险源,防止次生、衍生事故发生;为事故调查收集有关资料。
(26)省气象局:负责天气监测、预报、预测,及时提供气象信息服务,开展因气象灾害引发的事故灾害调查、评估及气象分析等工作。
(27)江苏海事局:负责组织协调长江江苏段和国家划定搜寻救助海域的水上交通事故应急救援、水上搜救等工作。
(28)连云港海事局:负责国家划定搜寻救助海域的水上交通运输保障工作。
(29)民航江苏安全监管局:负责组织协调应急救援所需的空运和物资、器械的空投保障。
(30)江苏银保监局:督促有关保险机构对发生事故的参保单位及个人及时做好理赔工作。
(31)省通信管理局:指挥、协调基础电信运营企业、铁塔公司为事故应急救援做好公众通信网的应急通信保障组织工作。
(32)南京铁路办事处:负责提供应急救援所需的铁路运输保障。
(33)省电力公司:负责应急救援的电力保障工作。
各成员单位应当建立应急联动工作机制,明确联系人及联系方式,保证联络通畅,并加强与其他应急机构的衔接配合。
2.3 现场指挥部及其主要职责
省指挥部根据需要成立现场指挥部,指定现场总指挥。现场指挥部的主要职责:负责组织指挥应急处置和救援工作。研判事故发展趋势以及可能造成的危害,组织制定并实施应急救援方案,设立应急救援工作组,决定采取控制、平息事态的应急处置措施。协调、指挥有关单位和人员参加现场应急救援。及时报告应急处置和救援进展情况,根据事故现场情况提出处置建议和支援请求。
现场指挥部可设立综合协调组、事故救援组、交通管制组、医疗卫生组、环境监测组、处置保障组、新闻发布组、专家组、善后处置组等应急救援工作组。根据事故现场实际,工作组设置可适当调整,各工作组负责人由现场总指挥指定。各应急救援工作组职责如下:
(1)综合协调组:省应急厅、省发展改革委、省工业和信息化厅、省公安厅、省民政厅、省财政厅、省自然资源厅、事发地人民政府等部门和单位参加。
主要职责:承担现场指挥部的综合协调,指令接收转发,信息收集上报,调配应急力量和资源等工作;协调***和武警部队参与危化品生产安全事故救援工作;协调专业抢险救援队伍和专家的调集工作;承办现场指挥部各类会议,督促落实现场指挥部议定事项;审核把关信息发布;做好应急救援工作文件、影像资料的搜集、整理、保管和归档等工作。
(2)事故救援组:省消防救援总队、省军区、武警江苏省总队、事发地人民政府等部门和单位参加。
主要职责:实施危化品生产安全事故处置、火灾扑救、人员搜救、工程抢险、工程加固和事故现场清理等工作;控制危险源,防止次生、衍生事故发生;为事故调查收集有关资料。
(3)交通管制组:省公安厅、省交通运输厅、事发地人民政府等部门和单位参加。
主要职责:负责组织事故可能危及区域有关人员的紧急疏散、撤离,事故现场进行保护和警戒,维持现场秩序等工作。根据实际情况实行交通管制和疏导,开辟应急通道,保障应急处置人员、车辆和物资装备的应急通行需要;组织协调尽快恢复被毁交通路线。
(4)医疗卫生组:省卫生健康委、省工业和信息化厅、省公安厅、省交通运输厅、事发地人民政府等部门和单位参加。
主要职责:调度全省医疗队伍,设立临时医疗点,协调外部医疗机构,为事故受伤人员、救援人员提供医疗保障服务;做好现场救援区域的防疫消毒;向受伤人员和受灾群众提供心理卫生咨询和帮助。
(5)环境监测组:省生态环境厅、省自然资源厅、省住房城乡建设厅、省交通运输厅、省水利厅、省农业农村厅、省卫生健康委、省气象局、江苏海事局、连云港海事局等部门和单位参加。
主要职责:对涉事区域进行环境监测工作,提出控制污染扩散的建议,防止发生环境污染次生灾害。
(6)处置保障组:事发地人民政府、省发展改革委、省工业和信息化厅、省民政厅、省财政厅、省住房城乡建设厅、省水利厅、省农业农村厅、省商务厅、省应急厅、省国资委、省市场监管局、省广电局、省粮食和储备局、南京铁路办事处、省通信管理局、省电力公司等部门和单位参加。
主要职责:根据事故处置工作需求,及时提供物资、装备、食品、交通、供电、供水、供气和通信等方面的后勤服务和资源保障。
(7)新闻发布组:省委宣传部、省委网信办、省应急厅、事发地人民政府等部门和单位参加。
主要职责:统筹协调媒体的现场管理,做好事件舆论引导工作,组织新闻发布工作;做好新闻应对发布和集体采访活动的组织工作;做好境内外媒体沟通协调和组织联络工作;向省指挥部和事故相关单位、辖区政府通报舆情进展,提出应对建议。
(8)专家组:省应急厅、省生态环境厅、省卫生健康委、省消防救援总队、事发地人民政府等部门和单位参加。
主要职责:对事故的发展趋势、抢险救援方案等提出建议,为应急抢险救援行动的决策提供技术支持。
(9)善后处置组:事发地人民政府、省发展改革委、省民政厅、省财政厅、省人力资源社会保障厅、省生态环境厅、省商务厅、省应急厅、省粮食和储备局、省总工会、江苏银保监局等部门和单位参加。
主要职责:做好受灾群众、遇难(失联)人员亲属信息登记、食宿接待和安抚疏导等善后工作;做好遇难者遗体处置等善后工作;做好遇难和受灾人员的经济补偿等善后工作;做好灾后恢复重建等工作。
2.4 危险化学品从业单位职责
危化品从业单位应当加强危化品生产安全事故应急管理工作,建立健全危化品生产安全事故应急工作责任制,采取预防和预警措施,健全应急机制,编制应急预案,配备应急人员和物资,做好事故应对工作。事故发生时,其主要负责人全面负责本单位的危化品生产安全事故应急工作,立即采取先期处置,配合做好事故应急救援、善后和事故调查工作。
3 预防、监测与预警
3.1 预防
危化品从业单位应当针对本单位可能发生的危化品生产安全事故的特点和危害,进行风险辨识和评估,制定相应的危化品生产安全事故应急救援预案,并向本单位从业人员公布。
对化工园(集中)区内危化品从业单位存在因一起事故引发“多米诺”效应的重特大危化品生产安全风险,各级负有安全生产监督管理职责的部门应化解存量风险,落实管控措施,强化化工园(集中)区安全生产监督管理机构、重大危险源监控能力等建设,推进应急救援能力提升。
县级以上人民政府及其负有安全生产监督管理职责的有关部门和乡、镇人民政府以及街道办事处等地方人民政府派出机关,应当针对可能发生的危化品生产安全事故的特点和危害,进行风险辨识和评估,制定相应的危化品生产安全事故应急救援预案,并依法向社会公布。
3.2 监测与预警
3.2.1 监测预警类型
(1)异常预警。各级应急管理部门和危化品从业单位建立健全危化品安全生产风险监测预警系统,实现危化品从业单位安全生产风险的动态监测和自动预警,监测预警数据实现实时传输、上下互联。发现监测数据异常时,预警信息同步传输至上级应急管理部门。
(2)事故预警。事发地启动危化品生产安全事故应急预案尚未达到上级预案启动条件时,上级人民政府、专项应急指挥机构或受委托部门、单位立即启动相应预警。
(3)联动预警。当危化品从业单位发生危化品生产安全预警信息时,及时上报上级应急管理部门和负有安全生产监督管理职责的部门,通报周边企业,启动联动预警行动。当危化品从业单位所在地发生自然灾害突发事件时,应急管理部门和负有安全生产监督管理职责的部门应根据突发事件牵头处置部门发布的预警信息,督促企业做好预警及防范工作。
3.2.2 预警信息的发布
按照危化品生产安全事故发生的紧急程度、发展势态和可能造成的危害程度,事故预警级别从高到低划分为一级、二级、三级和四级,依次用红色、橙色、黄色和蓝色标示。
发布一级、二级预警信息应当由本级政府主要负责人、突发事件专项应急指挥机构主要负责人或本级政府受委托部门、单位的主要负责人签发;发布三、四级预警信息应当由本级政府受委托部门、单位的主要负责人或分管负责人签发。
预警信息内容包括:预警区域或场所、险情类别、预警类型、预警级别、预警期起始时间、可能影响范围、灾情概要、有关预防预警措施,以及工作要求和发布机关等。
3.2.3 预警措施
宣布进入预警期后,地方各级人民政府及相关部门应当根据预警级别,按照《中华人民共和国突发事件应对法》的规定,采取有效措施,做好防范和应对工作。
(1)加强对事故发生、发展情况的监测、预报和预警工作。
(2)转移、撤离或者疏散可能受到危害的人员,并进行妥善安置;组织有关部门和机构、人员对危化品生产安全事故预警信息进行分析评估;加强公众沟通,公布信息接收和咨询电话,向社会公告采取的有关措施、避免或减轻危害的建议和劝告等。
(3)针对可能造成的危害,封闭、隔离或者限制使用有关场所,中止可能导致危害扩大的行为和活动;组织应急队伍和负有特定职责的人员进入待命状态,动员后备人员做好参加应急处置和救援工作的准备,视情预置有关队伍、装备、物资等应急资源;调集应急处置和救援所需物资、设备、工具,准备应急设施和避难场所,并确保其处于良好状态,随时可以投入正常使用;采取必要措施,确保交通、通信、供水、排水、供电、供气、供热等公共设施的安全和正常运行。
(4)其他必要的防范性、保护性措施。
3.2.4 预警信息的调整和解除
预警信息实行动态管理。发布预警信息的部门和单位应当根据事态发展,按照有关规定适时调整预警级别、更新预警信息或者宣布解除警报、终止预警期,并解除采取的有关措施。
4 应急响应
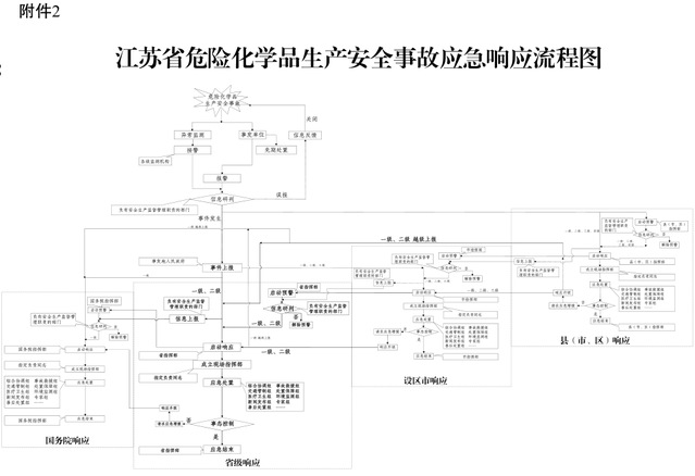
江苏省危险化学品生产安全事故应急响应流程图见附件2。
4.1 信息报告
危化品生产安全事故发生后,事故现场有关人员应当立即向本单位负责人报告;单位负责人接到报告后,应当于1小时内向事故发生地县级以上人民政府应急管理部门和负有安全生产监督管理职责的有关部门报告。
事发地人民政府和负有安全生产监督管理职责的有关部门接到危化品生产安全事故信息后,应当立即核实有关情况,并按照分级管理的程序第一时间逐级上报至上级人民政府及相关部门。必要时可以越级上报。
信息初报或报警的内容包括:事故发生的时间、地点、信息来源、事故类别、简要经过、影响范围和损害程度的初步估计、现场救援情况、事故已采取的措施等。
当情况发生变化时,需及时进行信息续报。信息续报的内容包括:人员伤亡、事故影响最新情况、事件重大变化情况、采取应对措施的效果、检测评估最新情况、下一步需采取的措施等。
危化品生产安全事故中伤亡、失踪、被困人员涉及港澳台侨、外籍人员的,按照国家有关规定向相关部门、涉外机构通报。
4.2 先期处置
发生危化品生产安全事故后,事发单位应当立即启动危化品生产安全事故应急救援预案,采取下列一项或者多项应急救援措施,并按照国家有关规定报告事故情况:
(1)组织抢救遇险人员,协助救助伤员,根据事故危害程度,组织现场人员撤离或者采取可能的应急措施后撤离,及时通知可能受到事故影响的单位和人员;
(2)组织本单位应急救援队伍迅速控制危险源,标明危险区域,封锁危险场所,并采取其他必要措施防止危害扩大和次生、衍生灾害发生;
(3)维护事故现场秩序,保护事故现场和相关证据;根据需要请求邻近的应急救援队伍参加救援,并向参加救援的队伍提供相关技术资料、信息和处置方法;
(4)法律、法规规定的其他应急救援措施。
事发地人民政府应当立即疏散受到威胁的人员,通知可能受到事故影响的单位和人员;组织应急救援队伍进行应急处置,采取有力措施控制事态发展或者灾情蔓延,研判事故发展趋势以及可能造成的伤害,并向上级人民政府及其有关部门和单位报告;隔离事故现场,划定警戒区域,实施交通管制,维护事故现场秩序;组织安抚遇险人员和遇险遇难人员亲属;采取必要措施,防止事故危害扩大和次生、衍生灾害发生,避免或者减少事故对环境造成的危害;依法调用和征用应急资源;及时发布有关事故情况和应急救援工作的信息。
4.3 启动响应
发生重特大危化品生产安全事故、超出设区市人民政府应急处置能力、跨设区市行政区域的危化品生产安全事故,由省指挥部依据本预案启动应急响应。
国务院及有关部门启动应急响应后,省指挥部及相关部门应当服从统一指挥,全力做好救援工作。
4.4 处置措施
在省指挥部的统一领导下,现场指挥部、各成员单位、事发地人民政府统一指挥、各司其职、协同配合、科学处置,组织开展应急处置和应急救援工作。
(1)制定方案。根据危化品生产安全事故类型,研判现场信息,制定应急处置方案。
(2)搜救、疏散人员。立即组织营救和救治受害人员,组织开展人员搜救工作,疏散、撤离或者采取其他措施保护受危害区域内的其他人员。
(3)抢险救援。组织开展事故处置、工程抢险、道路交通设施抢修和事故现场清理等工作;迅速控制危险源,采取必要措施,防止事故危害扩大和次生、衍生灾害发生。
(4)现场管制。划定警戒区域,在警戒区域边界设置警示标志,将警戒区域内与事故应急处置无关的人员撤离至安全区。对通往事故现场的道路实行交通管制,严禁无关车辆进入;清理主要交通干道,保证道路畅通;合理设置出入口,控制、记录进入事故救援核心区的人员。
(5)医疗救护。组织开展现场紧急医疗救护,及时转移危重伤员。根据需要向上级卫生健康部门请求派出有关专家和专业医疗队伍进行指导和支援。
(6)环境监测。开展事故现场及周边可能受影响区域的环境监测,综合分析和评价监测数据,预测事故可能造成的环境影响,采取控制污染扩散的措施,提出现场救援工作建议。
(7)洗消和现场清理。在危险区与安全区交界处设立洗消站,根据需要正确使用洗消药剂,迅速采取洗消措施,最大限度减少对相关人员造成的危害,对受污染的工具和装备进行洗消;清除事故现场残留的有毒有害气体,统一收集处理泄漏液体、固体及洗消废水。
4.5 事故现场处置要点
4.5.1 危化品火灾爆炸事故现场处置要点
(1)现场侦查。在充分做好个人防护的基础上,对现场被困人员情况,着火部位、蔓延方向、火势范围、对毗邻威胁程度,生产装置、控制路线、建(构)筑物损坏程度,现场及周边污染情况等进行初步侦查。
(2)实施警戒。根据侦查结果研判火灾爆炸发生位置、危化品性质,及火势扩大或二次爆炸的可能性,综合考虑事故发生区域的周围环境及可能对周边的影响,确定警戒范围。将警戒范围划分为重危区、中危区、轻危区和安全区,并设立警戒标志,在安全区外视情况设立隔离带。对警戒区周边道路实施交通管制,禁止无关人员和车辆进入现场,警戒区内停电、停火,并立即有序疏散警戒区内无关人员至安全区域。
(3)制定救援方案。现场指挥部根据燃烧范围、燃烧物品、周围物品危险性及火势蔓延途径等影响因素,选取合适的灭火剂和灭火方式,制定救援方案。
(4)实施救援。在做好充分的救援准备及安全防护后,进入事故现场实施救援。搜救受伤及被困人员,采取正确的救助方式,将所有遇险人员移至上风或侧上风方向空气无污染地区,对救出的中毒窒息人员、高温液体烫伤人员、化学烧伤人员等应立即采取相应措施进行现场急救;将伤情较重者及时送往医疗急救机构进行救治。制止泄漏,切断泄漏源,如若不能有效堵漏时,可采取倒罐输转、放空点燃、惰性气体置换等方式进行泄漏处理。根据需要采取转移可燃物料、切断与装置及管线设施的连通,利用消防水炮或消防水栓对火罐、设备进行冷却。对周围受火灾威胁设施及时采取冷却、退料、泄压,采用沙袋或其他材料筑堤拦截飘散流淌的易燃液体或挖沟导流将物料导向安全地点,采用毛毡、沙袋等堵住下水井、阴井口等处等保护措施,防止火焰蔓延并对火场进行控制,当达到灭火条件时实施灭火作业。
(5)现场监测。实时监测事故现场气象扩散和易燃易爆气体浓度,监测泄漏物质和消防废水是否进入大气、附近水源、下水道等场所;明确泄漏危及周围环境的可能性,防止造成二次污染;并根据现场气体浓度及爆炸源的情况确定是否有二次爆炸的危险,确定应采取的处置措施。
(6)火灾扑救过程中,现场指挥部应根据危险区的危害因素和火灾发展趋势进行动态评估,及时提出灭火指导意见,调整救援方案,并将现场救援情况及时报省指挥部。
4.5.2 危化品易燃易爆、有毒有害物质泄漏事故现场处置要点
(1)现场侦查。在充分做好个人防护的基础上,对现场被困人员情况,容器储量、泄漏量、泄漏部位、形式,设施、建(构)筑物险情及可能引发爆炸燃烧的各种危险源,现场及周边污染情况等进行初步侦查。
(2)实施警戒。根据侦查结果研判泄漏的危化品种类及性质、泄漏源的位置及气象情况,确定警戒范围,将警戒范围划分为重危区、中危区、轻危区和安全区,并设立警戒标志,在安全区外视情况设立隔离带。对警戒区周边道路实施交通管制,禁止无关人员和车辆进入现场,警戒区内停电、停火,消除可能引发火灾和爆炸的火源,并立即有序疏散警戒区内无关人员至安全区域。
(3)制定救援方案。现场指挥部根据泄漏源的周围环境(环境功能区、人口密度等),周围区域重大危险源的分布,以及预测的事故现场泄漏扩散趋势等情况,确定主要的控制措施(如筑堤导流、堵漏、倒罐转移等),制定救援方案。
(4)实施救援。根据救援方案,在充分做好救援准备及个人防护的基础上,进入事故现场。搜救受伤及被困人员,采取正确的救助方式,将所有遇险人员移至上风或侧上风方向空气无污染地区,对救出的中毒窒息人员应立即采取相应措施进行现场急救;将伤情较重者及时送医疗急救部门救治。根据现场泄漏情况,采取关断料、开阀导流、排料泄压、火炬放空、倒罐转移、应急堵漏、冷却防爆、注水排险、喷雾稀释、引火点燃等措施控制泄漏源,防止泄漏物进入下水道、地下室或受限空间。稀释泄漏物浓度,拦截、导流和蓄积泄漏物,防止泄漏物向重要目标或环境敏感区扩散。对于贮罐区发生液体泄漏时,要及时关闭雨水阀,防止物料外流。
(5)泄漏物清理。当存在大量残液时,用防爆泵抽吸或使用无火花器具收集,集中处理;少量残液用稀释、吸附、固化、中和等方法处理。
(6)现场监测。加强对现场水质、大气、土壤、气象信息的监测,并采取措施防止泄漏物质进入大气、附近水源、下水道造成二次污染。
(7)现场指挥部应根据危险区的危害因素和泄漏物质浓度扩散趋势进行动态评估,及时提出指导意见,调整救援方案,并将现场救援情况及时报省指挥部。
其他危化品生产安全事故的应急救援与处置,综合参照上述现场处置要点,及时、科学、有效开展现场处置工作。
4.6 信息发布
信息发布应当及时、准确、全面、客观。发生重特大危化品生产安全事故,设区市人民政府在省委宣传部的指导和事发地党委宣传部门协调组织下,第一时间按照国家相关规定发布权威简要信息、举行新闻发布会,发布初步核实情况、政府应对措施和公众防范措施等,并根据事故处置情况做好后续信息发布工作。
4.7 应急结束
相关威胁和危害得到控制、消除后,应急处置工作完成,省指挥部宣布应急结束,组织应急队伍和工作人员有序撤离。同时采取或者继续实施必要措施,防止发生次生、衍生事故,通知相关方面解除应急措施,逐步恢复生产生活秩序。
5 后期处置
5.1 善后处置
在省指挥部的领导下,危化品生产安全事故的善后处置工作由省相关部门负责指导协调,市、县(市、区)人民政府及相关部门负责组织实施,事发单位及其主管部门配合。
善后处置主要包括人员安置、补偿,保险理赔,征用物资补偿,污染消除等事项。事发地人民政府及有关部门和单位应当尽快消除事故影响,依据相关法律政策做好遇难者及其家属的善后处理及受伤人员的医疗救助等;妥善安置和慰问受害人员及受影响群众,对应急救援中伤亡的人员及时给予救治和抚恤,做好事故伤亡人员家属的安抚工作;督促辖区内保险公司积极做好理赔服务工作;及时归还调用和征用的财产,财产被毁损、灭失、消耗的应当按照国家有关规定给予补偿;做好现场污染物收集、清理与处理,疫病防治,事后恢复等工作。
5.2 事故调查
事故调查应当严格按照《中华人民共和国安全生产法》《生产安全事故报告和调查处理条例》等法规和有关规定进行。
5.3 总结评估
重特大危化品生产安全事故处置工作结束后,各级人民政府及有关部门应当对应急救援工作进行评估,分析总结应急救援经验教训,提出改进建议。
6 应急保障措施
6.1 应急队伍保障
全省危化品生产安全事故应急队伍由国家综合性消防救援队伍、专业救援队伍和社会救援力量等组成。
危化品从业单位应当建立应急救援队伍,及时将本单位应急救援队伍建设情况按照国家有关规定报送县级以上人民政府负有安全生产监督管理职责的部门,并依法向社会公布。
地方各级人民政府及其负有安全生产监督管理职责的部门需掌握区域内应急救援队伍资源信息情况,并督促检查应急救援队伍建设和准备情况。
6.2 资金保障
应急救援队伍根据救援命令参加危化品生产安全事故应急救援所耗费用,由事故责任单位承担;事故责任单位无力承担的,由有关人民政府协调解决。
县级以上人民政府应当将危化品生产安全事故应急救援费用列入同级财政预算,确保专款专用。
6.3 装备物资保障
县级以上人民政府及其有关部门应根据本地区不同行业、区域的危化品事故种类、风险和特点,结合应急队伍能力建设,储备必要的应急救援装备设施、设备及物资等,做好维护和管理,并及时更新和补充;保障转移人员和救援人员所需的食物、饮品供应,提供临时居住场所及其他生活必需品。超出事发地人民政府处置能力时,报请省有关部门提供支援。
各专业应急救援队伍和危化品从业单位根据实际需求,配备必要的现场救援和工程抢险装备器材,建立维护、保养和调用等制度。
6.4 医疗卫生保障
县级以上地方人民政府应当加强急救医疗服务网络建设,掌握本行政区域内医疗卫生资源信息,针对危化品生产安全事故可能造成的健康危害,组建医疗专家队伍和应急医疗救援队伍,提高医疗卫生机构对伤员的救治能力。
6.5 交通运输保障
公安、交通运输、海事、铁路、民航等部门加强危化品生产安全事故应急处置交通运输保障能力建设,建立健全交通运输应急联动机制和应急通行机制,确保紧急情况下的综合运输能力和应急交通工具的优先安排、优先调度、优先放行。依托***、武警部队、海上搜救、民航等水陆空资源,健全水陆空紧急运输服务队伍体系。
6.6 通信与信息保障
通信管理、广电等有关部门和单位负责督促相关企业建立健全应急通信、应急广播体系,建立有线和无线相结合、基于公用通信网的应急通信系统。危化品生产安全事故发生后,通信主管部门组织协调各基础电信运营企业、铁塔公司做好公用通信网应急通信保障工作。危化品从业单位应当在其作业场所设置通信、报警装置,并保证处于适用状态。
6.7 技术支持保障
各级人民政府及有关部门应当建立应急信息数据库,鼓励和支持高等院校、科研院所和有关机构等开展研究用于危化品生产安全事故预防、监测、预警、应急处置与救援的新技术、新工艺、新设备和新材料,为事故应急救援提供技术支持和保障。
6.8 宣传、培训和演练
各级人民政府有关部门和单位应当加强危化品安全生产有关法律法规和事故预防自救、互救常识的宣传和培训,提高全民的安全防范意识和应急避险能力。
县级以上地方人民政府及其负有安全生产监督管理职责的部门,乡、镇人民政府以及街道办事处等人民政府派出机关,应当至少每2年组织1次危化品生产安全事故应急预案演练。
危化品从业单位应当至少每半年组织1次危化品生产安全事故应急预案和现场处置方案演练,并将演练情况报送所在地县级以上地方人民政府负有安全生产监督管理职责的部门。法律法规有特殊要求的按照其要求执行。
7 附则
7.1 预案管理
省应急厅负责本预案编制,报省人民政府批准后实施。
7.2 奖励与责任追究
依据法律法规和有关规定,对在生产安全事故应急救援工作中有突出贡献的单位和个人给予奖励;对失职、渎职的有关人员追究责任,构成犯罪的,依法追究刑事责任。
7.3 预案实施时间
本预案自印发之日起施行。
附件:1﹒江苏省危险化学品重特大生产安全事故应急救援组织体系结构图
2﹒江苏省危险化学品生产安全事故应急响应流程图

